Missing sef-.phpMissing sef-.phpMissing dictionary-.php REDUCTOARE ORTOGONALE (SERIE GREA) CU FLANȘĂ LA MOTOR - Pro Tehnic
The file /home/protehni/public_html/includes/industrie-.php does not exist or is not readable!

REDUCTOARE ORTOGONALE (SERIE GREA) CU FLANȘĂ LA MOTOR

REDUCTOARE ORTOGONALE (SERIE GREA) CU FLANȘĂ LA MOTOR

 REDUCTOARELE CU AXE ORTOGONALE, PENTRU MOTOR CU FLANȘĂ DIN SERIA GREA KXC, au o putere de la 2.2 la 74 [kW], cu cuplul de ieșire de la 951 la 8937 [Nm] și raporturi de transmitere de la 6.33 la 174.82.

CERERE DE OFERTĂ

Realizați cererea în formularul de mai jos. Dacă nu găsiți produsul dorit, butonul CERERE DE OFERTĂ de mai jos vă permite să trimiteți direct un mesaj. Comenzile realizate on-line se vor trata cu prioritate.


SAU CONTACTAȚI-NE
Valerian Morar
(+40) 732 009 704
(+40) 264 274 578



Definiți regimul de ieșire al reductorului:


Turația de ieșire n2[rpm]:  


Alegeți reductorul dorit dacă sunt mai multe variante:




Reductorul ales e:


DENUMIRE TIP g5
[rpm]
d1
[rpm]
n2
[rpm]
NT P
[kW]
n1
[rpm]
iR M2
[Nm]
UM AȘ DORI
                    cumpara



DATE DE CONTACT

Vă rugăm sa completați datele marcate cu * pentru a fi contactat în cel mai scurt timp posibil. Cererea D-voastră va fi trimisă pe adresa .


Solicitare Ofertă de preț și/sau Informații adiționale

*
*
*
*
*

Pentru trimiterea cererii de ofertă vă exprimați consimțământul în vederea prelucrării datelor personale colectate mai sus. Detaliile privind prelucrarea de către Pro Tehnic a acestor date personale sunt disponibile în Politica de confidențialitate.


LogoProTehnic

PUJOL® este marcă înregistrată a lui PUJOL GEAR SOLUTIONS

PRO TEHNIC S.R.L. este distribuitor autorizat al lui PUJOL GEAR SOLUTIONS


INFORMAȚII ADIȚIONALE

Pentru o mai bună întelegere a produselor vă oferim urmatoarele informații.



 REDUCTOARE ORTOGONALE SERIA GREA KXC

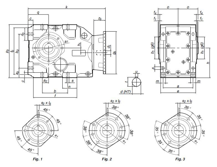
1.DIMENSIUNI REDUCTOARE ORTOGONALE SERIA GREAKXC

2.DESEN REDUCTOARE ORTOGONALE SERIA GREAKXC

3.CERTIFICAREA CALITĂȚII

Produsul se livrează cu declaraţie de conformitate.